Terug
Assortiment
Assortiment
Assortiment
Terug
Aandrijftechniek
Terug
Afdichtingen
Terug
O-ringen
Pakkingplaat
Lagers
Terug
Glijbussen
Groefkogellagers
Kogellagers
Lagerhuizen
Pneumatiek
Terug
Koppelingen
Persluchtverzorging
Smering
Terug
Smeernippel, toebehoren
Smeernippels
Tandwielaandrijvingen
Terug
Tandwielen conisch
Ankerwerk
Terug
Bevestigingsankers
Terug
Betonschroefhulzen
Bevestigingsanker, toebehoren
Boutankers
Koppelbussen
Staafankers
Bouwverankering
Terug
Ankerwerk
Dakverankering
Elementverankering
Kimankers
Kozijnankers
Kramplaten
Leuningankers
Muurplaatankers
Opwaaiankers
Randbekistingankers
Randbeveiliging
Stelplaten
Wandankers dilaterend
Wandankers star
Houtverbindingen
Terug
Balkdragers korte lip
Balkdragers lange lip
Balkdragers licht
Balkdragers zonder lip
Dakverankering
Gordinglassen
Hoekankers
Hoeken
Koppelingen
Raveeldragers
Spijkerplaten
Spouwbladanker
Vloer-kozijnstrippen
Panhaken
Terug
Panhaken
Spouwankers
Terug
Isolatiebevestigingen
Spouwanker hulpstuk
Spouwankers
Transportankers
Terug
Hijsogen
Hijsstroppen
Tuinbeslag
Terug
Anti klimbeugels
Anti klimstrippen
Tuinbeslag
Automotive
Terug
Aanhangersysteem
Terug
Aanhanger aansluitingen
Koppelingen
Aanhangersysteem
Terug
Aanhanger aansluitingen
Trailerdragers
Autostyling
Terug
Velgen
Elektra
Terug
Accu's
Kabels
Oplaadapparaten
Snelstarters-acculaders
Snelstarters-acculaders
Verlichting
Zekeringen
Exterieur
Terug
Beschermdekens
Beschermhoezen
Interieur
Terug
Beschermhoezen
Interieur-accessoires
Interieur
Terug
Parkeerbenodigheden
Motordelen
Terug
Afdichtingen
Reinigingsgereedschappen
Terug
Borstels
Sloten
Terug
Voertuigsloten
Veiligheidsuitrusting
Terug
Gevarendriehoeken
Sleepkabels, -stangen
Beveiliging
Terug
Beveiliging elektronisch
Terug
Besturingen
Hand brandmelders
Hittemelders
Koolmonoxidemelders
Rookmelders
Sensoren
Brandbeveiliging
Terug
Afdichtingen, brandwerend
Brandblussers
Branddekens
Lockout / Tagout
Terug
Tags
Bevestigingsmaterialen
Terug
Afdekkappen
Terug
Afdekkappen
Assortimenten
Terug
Assortiment sets
Bedieningselementen
Terug
Handgrepen
Kogelknoppen
Sterknoppen
Bevestigingssystemen
Terug
Montagerails
Bouten
Terug
Houtdraadbouten
Oogbouten
Slotbouten
Zeskantbouten
Zeskanttapbouten
Bouwverankering
Terug
Ankers
Keilbouten
Keilhulzen
Montagegereedschap
Schroefankers
Spanhulzen
Steigerbevestigingen
Bundelbanden
Terug
Bundelbanden
Bussen
Terug
Spanbussen
Chemische verankering
Terug
Ankerstangen
Capsulesysteem
Injectiesysteem
Montagegereedschap
Montagegereedschap
Draadstangen
Terug
Draadstangen
Klinksystemen
Terug
Blindklinkmoeren
Blindklinknagels
Krammen
Terug
Golfkrammen
Magneten
Terug
Magneten
Moeren
Terug
Borgmoeren
Dopmoeren
Flensmoeren
Gleufmoeren
Inschroefmoeren
Inslagmoeren
Kartelmoeren
Lasmoeren
Oogmoer
Verbindingsmoeren
Vleugelmoeren
Zeskantmoeren
Montagebanden
Terug
Montagebanden
Nagels
Terug
Ankernagels
Bekistingnagels
Bootnagels
Bouwplaatnagels
Brads
Daknagels
Draadkrammen
Draadnagels
Duplexnagels
Gasbetonnagels
Gripankernagels
Klisjesnagels
Nagels op strip/band
Plintnagels
Regelnagels
Ribnagels
Schietnagels
Schroefnagels
Stalen nagels
T-nagels
Tochtstripnagels
Nieten
Terug
Nieten
Pennen
Terug
Borgpennen
Splitpennen
Pluggen
Terug
Gasbetonpluggen
Hollewandpluggen
Isolatieplaatpluggen
Kozijnpluggen
Nagelpluggen
Pluggen
Stelpluggen
Ringen
Terug
Afdichtringen
Asborgringen
Borgringen
Carrosserieringen
Kraalringen
Pasringen
Seegerringen
Sluitringen
Sluitschelpen
Stelringen
Veerringen
Volgplaten
Zeilringen
Schroeven
Terug
Achterwandschroeven
Afstandschroeven
Anti-inbraakschroeven
Betonschroeven
Gasbetonschroeven
Glaslatschroeven
Houtbouwschroeven
Houtschroeven
HPL-plaatschroeven
Inserts
Kozijnschroeven
MDF schroeven
Metaalschroeven
Montageschroeven
Plaatschroeven
Schroeven zelfborend
Schroeven zelftappend
Snelbouwschroeven
Snelbouwschroeven op band
Snelbouwschroeven zelfborend
Spaanplaatschroeven
Spaanplaatschroeven op band
Stelschroeven
Vleugelschroeven
Vlonderschroeven
Sluitingen
Terug
D-Sluitingen
Harpsluitingen
Knevelsluitingen
Spanrubbers
Terug
Spanrubbers
Spieën
Terug
Inlegspieën
Tapes
Terug
Afdichtingstapes
Afplaktapes
Belijningstapes
Beschermingstapes
Isolatietapes
Montagetapes
Reparatietapes
Tapehouders
Tapes anti-slip
Verpakkingstapes
Touw
Terug
Touw
Veren
Terug
Borgveren
Drukveren
Trekveren
Bouwbeslag
Terug
Asbakken
Terug
Asbakken
Deurbeslag
Terug
Beldrukkers
Briefplaten
Brievenbusafdichtingen
Brievenbusbordjes
Deurbeslag brandvertragend
Deurbeslag, toebehoren
Deurduwers
Deurgarnituren
Deurgarnituren gatdeel
Deurkloppers
Deurknoppen
Deurkrukken
Deuropvangbeugels
Deurspionnen
Deurstoppers
Grepen
Huisnummers
Knopkrukken
Knopschilden
Kortschilden
Kruiskrukken
Langschilden
Overslagen
Rozetten
Schuifdeurkommen
Smalschilden
Stormkettingen
Symboolplaten
Deurnaalden
Terug
Deurnaald, toebehoren
Deurnaalden
Deurnaalden binnendeuren
Deurnaalden, brandwerend
Deurnaaldenonderdelen
Draaikiepbeslag
Terug
Draaikiepbeslag
Garderobesystemen
Terug
Garderobebuis beugels
Garderobebuis haken
Garderobebuis steunen
Garderobegarnituren
Garderobeprofielen
Garderobesystemen
Hoed- en jashaken
Jashaakrekken
Jashaken
Kapstok
Kastroede
Kastroedesteunen
Kledinghangers
Wandgarderobe
Haken
Terug
Haken
Handdoekhaken
Handdoekrekjes
Plafondhaken
Insectenwering
Terug
Horren
Kistgrepen
Terug
Kistgrepen
Leuninghouders
Terug
Leuninghouders
Luikbeslag
Terug
Luikringen
Postkasten
Terug
Postkasten
Raambeslag
Terug
Bovenraambeslag
Raambeslag, toebehoren
Raamknippen
Raamkrukken
Raamkrukken afsluitbaar
Raamkrukken afsluitbaar SKG**
Raamlichters
Raampennen
Raamscharen
Raamsloten opleg
Raamsloten opleg SKG*
Raamsloten opleg SKG**
Raamsluitingen
Raamsluitingen afsluitbaar
Raamsluitingen afsluitbaar SKG*
Raamuitzetters
Raamuitzetters SKG**
Stokhaken
Valijzers
Rolluikbeslag
Terug
Rolluikbeslag, toebehoren
Schuifdeurbeslag
Terug
Afdekkappen
Hefschuifdeurbeslag
Schuifdeurbeslag zelfsluitend
Schuifdeurgarnituren
Schuifdeurrail, toebehoren
Schuifdeurrails
Veiligheidsbeslag
Terug
Veiligheids garnituren SKG**
Veiligheids garnituren SKG***
Veiligheids kortschilden SKG***
Veiligheids langschilden
Veiligheids langschilden SKG**
Veiligheids langschilden SKG***
Veiligheids rozetten SKG**
Veiligheids rozetten SKG***
Veiligheids smalschilden SKG**
Veiligheids smalschilden SKG***
Veiligheidsbeslag, toebehoren
Vouwdeurbeslag
Terug
Vouwdeurgarnituren
Zorgbeslag
Terug
Grepen
Zorgproducten junior
Zorgproducten senior
Bouwproducten
Terug
Afdekmaterialen
Terug
Afdeknet
Afdekvlies
Beschermmaterialen
Afdichtingsbanden
Terug
Celrubber
Compressiebanden
Dichtingsbanden
Rugvullingsmaterialen
Schuimband
Afvalzakken
Terug
Afvalzakken
Dakbedekkingen
Terug
Dakbedekkingen bovenlagen
Dakbedekkingen onderlagen
Dakdoorvoeren
Terug
Dakdoorvoeren
Folies
Terug
Beschermfolies
Bouwfolies
Folie, toebehoren
Isolatiematerialen
Terug
Isolatiematerialen
Lood
Terug
Bladlood
Bladloodvervangers
Luiken
Terug
Vloerluiken
Matranden
Terug
Matranden
Plaatmateriaal
Terug
Fineerband
Ramen
Terug
Dakraam-accessoires
Tuimeldakraam
Reparatiemiddelen
Terug
Reparatiespecie
Rookgasafvoermateriaal
Terug
Boldraadroosters
Snelbouwsystemen
Terug
Plafondsystemen
Species
Terug
Afwerkmortels
Betonmortels
Metselspecies
Stucmortel
Voegspecies
Tuinproducten
Terug
Folies
Vlonders
Ventilatie
Terug
Aansluitbussen
Bolroosters
Buitenroosters
Dakvoet ventilatie
Deurroosters
Muurroosters
Overdrukroosters
Plintroosters
Schoepenroosters
Schuifroosters
Ventielroosters
Ventilatiebuis
Ventilatiebuis, toebehoren
Ventilatieroosters
Ventilatierozetten
Ventilatiesets
Ventilatiestrippen
Vloer-gevelventilatie
Vloerroosters
Terug
Vloerroosters
Chemie
Terug
Anti-vocht
Terug
Schimmelvreters
Vochtverdringers
Vochtvreters
Waterdichting
Autolakken
Terug
Primers
Primers aerosol
Chemische producten
Terug
Absorptiemiddelen
Afbijtmiddelen
Afdichtmiddelen
Afstrijkmiddelen
Beschermingsmiddelen
Borgmiddelen
Brandstoffen
Brandwerende producten
Gascilinders
Luchtverfrissers
Onderhoudsmiddelen
Onderzoeksmiddelen
Ontvetters
Oplosmiddelen
Reinigingsmiddel, toebehoren
Reinigingsmiddelen
Verdunners
Voorbehandelingsmiddelen
Dakcoatings
Terug
Dakcoatings
Dakgootreparatiemiddelen
Dakreparatiemiddelen
Kitten
Terug
Acrylaatkitten
Afdichtingskitten
Beglazingskitten
Bitumenkitten
Butyleenkitten
Kit, toebehoren
Kitten brandvertragend
Kitten vuurvast
Lijmkitten
Primers
Siliconenkitten
Voegenkitten
Lijmen
Terug
Constructielijmen
Contactlijmen
Daklijmen
Hobbylijmen
Houtlijmen
Lijm, toebehoren
Lijmen 2-componenten
Lijmen speciaal
Lijmpatronen
Montagekitten
PVC lijmen
Secondelijmen
Steenlijmen
Tegellijmen
Vloerbedekkingslijmen
Vloerproducten
Wandbekledingslijmen
Onderhoudsmiddelen
Terug
Coatings
Onderhoudspray
Schoen onderhoudsmiddelen
Vloeistoffen
Pasta's
Terug
Afdichtpasta's
Koperpasta's
Montagepasta's
Slijppasta's
Smeerpasta's
Snijpasta's
Stoppasta's
Vulpasta's
PU-schuimen
Terug
PU-schuim, toebehoren
PU-schuimen
Reinigers
Reiniging
Terug
Reinigingsmiddelen
Reparatiemiddelen
Terug
Plamuren en vulmiddelen
Plamuur en vulmiddelen, toebehoren
Reparatiecompound
Scheepscoatings
Terug
Lakverven
Smeermiddelen
Terug
Oliën
Smeer- afdichtmiddelen
Smeermiddelen
Smeerpoeders
Smeerspray
Vetten
Verf
Terug
Beitsen
Betonverven
Deklagen
Eén Pot systeem
Gevelverf
Grondlagen
Grondverven
Grondverven aerosol
Lakverven
Lakverven aerosol
Lakverven, effect
Markeringsverven
Muurverven
Oliën
Verf hulpmiddelen
Vloerverven
Waterdichting
Draadmaterialen
Terug
Bewapeningsstaal
Terug
Bewapeningsstaal
Bewapeningsstaal, toebehoren
Draad
Terug
Binddraad, ijzerdraad
Lasdraad
Puntdraad
Draadspanners
Terug
Draadspanners
Gaas
Terug
Gaas gelast
Gaas gepuntlast
Gaas geweven
Panelen
Vlechtwerk
Vliegengaas
IJzerdraad
Terug
IJzerdraad hard
IJzerdraad zacht
Laselektroden
Terug
Laselektroden
Staaldraad
Terug
Staaldraadkabel
Elektra
Terug
Aardingsmaterialen
Terug
Aardklemmen
Accu's
Terug
Accu's
Adereindhulzen
Terug
Adereindhuls
Armaturen
Terug
Armaturen toebehoren
Armaturen
Terug
Armaturen toebehoren
Batterijen
Terug
Batterijen
Batterijen oplaadbaar
Batterijladers
Knoopcellen
Beschermslangen
Terug
Kabelbruggen
Beveiligingen elektrische circuits
Terug
Smeltveiligheden
Bouwaansluitkasten
Terug
Meterkasten
Buisbevestigingssystemen
Terug
Buisclips
Communicatieapparatuur
Terug
Externe communicatieapparatuur
Telefoons
Connectoren
Terug
Connectoren
RJ-connectoren
Contactmaterialen
Terug
Contactmaterialen
Contactmaterialen CEE-Norm
Verloopstekkers schuko®/CEE-Norm
Domotica
Terug
Domotica, toebehoren
Inbouwdozen
Terug
Buisinvoerstukken
Centraaldozen
Inbouwdozen
Installatiebuizen
Terug
Hulpstukken
Hulpstukken
Installatiebuizen
Installatiematerialen
Terug
Montagemateriaal
Isolatie- bescherming
Terug
Gietharsen
Isolatiematten
Isolatietules
Kabel
Terug
Aansluitleidingen
Aansluitsnoeren
Installatiedraden
Kabelmarkering
Kabelmoffen
Montagedraden
Rubberkabels
USB kabels
Verlengkabels
Verlengkabels CEE-Norm
Verloopkabels schuko®/CEE-Norm
Verwarmingskabels
Warmtekrimpkousen
Kabelbevestigingsmaterialen
Terug
Kabelbeugels
Zadels
Kabelhaspels
Terug
Kabelhaspels
Veerkabelhaspels
Kabelmanagementsystemen
Terug
Kabelgoten
Kabelschoenen
Terug
Perskabelschoenen geïsoleerd
Kabelwartels
Terug
Kabelwartels
Kroonklemmen
Terug
Kroonklemmen
Lasdoppen
Terug
Lasdoppen
Lasdozen
Terug
Kabeldoosdeksels
Kabeldozen
Lasdozen
Radio tv Audio
Terug
Audio
Schakelmateriaal
Terug
Bewegingsmelders
Contactstoppen
Dimmers
Schakelaars
Schakelmateriaal inbouw
Schakelmateriaal opbouw
Schakelmateriaal spatwaterdicht opbouw
Schakelmateriaal, toebehoren
Tijdschakelaars
Transformatoren
Terug
Transformatoren
Verdeelblokken
Terug
CEE verdeelblokken
Hangcontactblok
Verdeelblokken
Verdeelkasten
Terug
Verdeelkasten
Verlichting
Terug
Binnenverlichting
Buitenverlichting
Gasontladingslampen
Gloeilampen
Halogeenlampen
Handlampen
Hoofdlampen
Lampen, toebehoren
LED lampen
Lichtmast
Lichtsnoeren
Looplamp
PL fluorescentielampen
Schijnwerpers
Spaarlampen
TL armaturen
TL fluorescentielampen
TL LED lampen
TL starters
Werklampen
Zaklampen
Verwarmingsapparatuur
Terug
Verwarmingsapparatuur
Voedingen
Terug
Netvoeding
Omvormers
Handgereedschappen
Terug
Accugereedschappen
Terug
Accugereedschappen
Aftekengereedschappen
Terug
Afschrijflinialen
Centerpunten
Centreerhaken
Correctiemiddelen
Flenshaken
Kalklijnproducten
Kraspennen
Krijt
Maatlatten
Markeren
Passers
Pennen
Potloden
Schrijfblokken
Schrijfhaken
Stiften
Verstekhaken
Whiteboard artikelen
Winkelhaken
Zwaaihaken
Automotive gereedschappen
Terug
Automotive gereedschappen diverse
Brandstofsysteem gereedschappen
Carrosseriegereedschappen
Demontagegereedschappen
Hoonapparaten
Inspectiegereedschappen
Portiergereedschappen
Remsysteemgereedschappen
Bankschroeven
Terug
Bankschroef, toebehoren
Bankschroeven
Draaiplaten
Hoogteverstellers
Machineklemmen
Opzetbekken
Slijpklemmen
Tafelklemmen
Behanggereedschappen
Terug
Behanggereedschappen
Beitels
Terug
Koudbeitels
Sloopbeitels
Bits
Terug
Bit, toebehoren
Bits
Bitsets
Blindklinktangen
Terug
Blindklinknageltang, toebehoren
Blindklinktangen
Carrosserie-gereedschappen
Terug
Uitdeukgereedschappen
Demagnetiseringsapparaten
Terug
Demagnetiseringsapparaten
Demontagegereedschappen
Terug
Bandenlichters
Bandsleutels
Bout,- moerverwijderaars
Kabelex
Moerensplijters
O-ring (de)montagegereedschap
Tapeinduithalers
Trekkers
Zekeringtrekkers
Deurklemmen
Terug
Deurklemmen
Dopsleutelgereedschappen
Terug
Bougiesleutels
Dopsleutel, toebehoren
Dopsleutelonderdelen
Dopsleutels
Dopsleutelsets
Ratels
Slagdopsleutels
Slagdopsleutels, toebehoren
Slagdopsleutelssets
Draadborstels
Terug
Staaldraadborstels
Drijvers
Terug
Doorslagen
Pendrijvers
Gereedschapssets
Terug
Gereedschapssets
Grijpgereedschappen
Terug
Grijpgereedschappen
Magneetzoekers
HACCP Hygiënische reinigingsgereedschappen
Terug
Bezems
Emmers en deksels
Nagelborstels
Stelen
Hamers
Terug
Bankhamers
Bekistinghamers
Combinatiehamers
Elektriciënshamer
Hamer terugslagvrij
Hamerkoppen
Hamers, hout
Hamers, koper
Hamers, leer
Hamers, rubber
Ketelsteenbikhamers
Klauwhamers
Kloofhamers
Kloppers
Koperhamers
Kunststofhamers
Lasbikhamers
Lathamers
Loodgietershamers
Metselaarshamers
Mokers
Nylonhamers
Pen-, bolbankhamers
Steigerhamers
Stratenmakershamers
Tegelzettershamers
Timmermanshamers
Voorhamers
Holpijpen
Terug
Holpijpen
Houtbewerkingsgereedschappen
Terug
Beitels
Gutsen
Hechten
Schaven
Verzinkboren
Kabeltrekkers
Terug
Kabeltrekkers
Trekveren
Kitgereedschappen
Terug
Doseerapparaten
Kitpistolen
Kitstrijkers
Klemgereedschappen
Terug
Klemtangen
Lijmtangen
Spanklemmen
Lijmgereedschappen
Terug
Lijmkammen
Lijmmessen
Lijmrollers
Lijmverdelers
Loepen
Terug
Precisieloepen
Machinesleutels
Terug
Carterplugsleutels
Draaistiften
Haaksleutels
Knie- steeksleutels
Kniesleutels
Kruissleutels
Magneetsleutels
Moersleutels verstelbaar
Opsteeksleutels
Pengatsleutels
Pijpsleutels
Pijpsleutelsets
Ring- ratelsleutelsets
Ring- steeksleutels
Ring- steeksleutelsets
Ringsleutels
Ringsleutels open
Ringsleutels plat
Ringsleutelsets
Schakelkastsleutels
Slagsleutels
Soksleutels
Soksleutelsets
Starter en bloksleutels
Steeksleutels
Steeksleutelsets
Stiftsleutels
Stiftsleutelsets
Ventielsleutels
Magneten
Terug
Magneten
Meetgereedschappen
Terug
Afstandmeters
Afstandsmeter, toebehoren
Detectors
Dieptemeters
Diktemeters
Drukmeters
Duimstokken
Geluidsmeters
Gradenbogen
Hardheidsmeters
Hoekmaten
Hoekmeters
Inspectiegereedschappen
Kruishouten
Landmetermaten
Laskalibers
Linialen
Luchtstroommeters
Meetgereedschappen, toebehoren
Meetklokken
Meetlatten
Meetlinten
Meetstandaards
Meetstokken telescopisch
Meetwielen
Micrometer, toebehoren
Multimeters
Nivelleerlatten
Oppervlakteruwheidsmeters
Radiusmeter
Rolbandmaten
Schietlood
Schroefdraadmeters
Schroefmaten
Schuifmaten
Spanning detectie
Sproeiermeters
Straalkalibers
Stroomkring/component testers
Stroomtangen
Tasters
Temperatuurmeters
Thermo/hygrometer
Vochtigheidsmeters
Voelermaten- banden
Waterpassen
Messen
Terug
Messen
Metselgereedschappen
Terug
Bekistingschrapers
Betonschrapers
Betonverdelers
Bouwemmers
Gevelklemmen
Kantenstrijkers
Metselprofielen
Paleerijzers
Sabels
Schoonmaakborden
Schragen
Speciekuipen
Stempels
Voegborden
Voegspijkers
Momentgereedschappen
Terug
Meetklokken
Momentgereedschap, toebehoren
Momentschroevendraaiers
Momentsleutel insteekgereedschappen
Momentsleutels
Test-/kalibreergereedschappen
Montagegereedschappen
Terug
Gereedschap elektro
Laminaat leggereedschappen
Multifunctioneel gereedschap
Pijpenbuigers
Terug
Buigtangen
Buigveren
Plooi - ijzers
Terug
Plooi - ijzers
Ponsen
Terug
Gatenponsen
Gatenponssets
Reinigingsgereedschappen
Terug
Afwasartikelen
Autowas producten
Bezems
Blikken
Borstels
Dweilen
Emmers
Glasbewassing
Glasreinigers
Handdoeken, papier
Hogedrukreiniger, toebehoren
Leidingenreiniging
Leidingreinigingsveren
Moppen
Onderzoekstafelrollen
Opraapgereedschap
Poetsdoeken
Poetslappen
Poetspapier
Poetspapier dispensers
Putscheppen
Raagbollen
Raamwissers
Schrapers
Schrobbers
Schuurlappen
Schuurpadhouders
Sponsen
Steel, toebehoren
Stelen
Stoffers
Stofwissers
Trekkers
Vegers
Werkdoeken
Zemen
Ruimers
Terug
Boutenscharen
Sanitairgereedschappen
Terug
Montagegereedschappen
Radiatorsleutels
Ruimers
Scharen
Terug
Allesknippers
Betonvlechtijzer-scharen
Blikscharen
Boutenscharen
Buisscharen
Combischaren
Hamerstelen
Kabelscharen
Knabbelscharen
Latoenscharen
Scharen
Universeelscharen
Verstekscharen
Schildersgereedschappen
Terug
Afsteekmessen
Beugels
Glasreinigers
Kwasten
Penselen
Plamuurmessen
Plamuurrubbers
Roller, toebehoren
Ruitenlichters
Schildersstoffers
Spatels
Stopmessen
Verfhulpmiddelen
Verfrollers
Verfschrapers
Zuigheffers
Schroevendraaiers
Terug
Bitschroevendraaiers
Flexibele schroevendraaiers
Haakschroevendraaiers
Klemschroevendraaiers
Microschroevendraaiers
Microschroevendraaiersets
Priemen
Schroevendraaiers
Schroevendraaiers met verwisselbare kling
Schroevendraaiersets
Slagschroevendraaiers
Slagschroevendraaiersets
Sokschroevendraaiers
Sokschroevendraaiersets
Spanningzoekers
Stubby schroevendraaiers
T-schroevendraaiers
Trimschroevendraaiersets
Schuimpistolen
Terug
Schuimpistolen
Slijpmiddelen
Terug
Aanzetstalen
Handslijpstenen
Kleppenslijper
Slijpsteenscherpers
Wetstenen
Smeergereedschappen
Terug
Jerrycan, toebehoren
Jerrycans
Maatbekers
Oliekan, toebehoren
Oliekannen
Oliespuiten
Opvangbakken
Schenkkannen
Spuitflessen
Trechters
Vatpompen
Vetspuit, toebehoren
Vetspuiten
Snijgereedschappen
Terug
Glas- en tegelsnijder, toebehoren
Glassnijders
Messen
Pijpsnijders
Soldeergereedschappen
Terug
Gasbrander, toebehoren
Gasbranders
Soldeerbouten
Soldeerbouthouders
Soldeerhulpmiddelen
Spangereedschappen
Terug
Boorklemmen
Conusreinigers
Conusuitdrijvers
Moeren
Opspangereedschappen
Snelwisselhouders
Spantangen
Spantanghouders
Tapverlengstukken
Wringijzers
Spiegels
Terug
Spiegel
Stelen
Terug
Hamerstelen
Klauwhamerstelen
Mokerstelen
Statenmakershamerstelen
Voorhamerstelen
Wiggen/spieën
Stoffeerdersgereedschappen
Terug
Vloergereedschappen
Stratenmakersgereedschap
Terug
Egalisatieschuivers
Klinkertrekkers
Putdekselhaken
Trottoirbandtangen
Stukadoorsgereedschap
Terug
Betonschaven
Schuurborden
Spackmessen
Spanen
Tegelzettersgereedschap
Voegrubbers
Tangen
Terug
Aderhulstangen
Bedradingstangen
Borgveertangen
Boutensnijtangen
Buigtangen
Combinatietangen
Connectortangen
Draadkniptangen
Draadtangen
Elektronicatangen
Grijptangen
Griptangen
Kabelbundelbandtangen
Kabelklemtangen
Kabelkniptangen
Kabelsnijtangen
Klepdichtring-tangen
Kopkniptangen
Krimptangen
Langbektangen
Mechanicatangen
Moerentangen
Moniertangen
Montagetangen
Multifunctionele tangen
Nijptangen
Ontmantelingsgereedschappen
Pijpentangen
Pincetten
Platbektangen
Platbuigtangen
Ponstangen
Punttangen
Radiotangen
Rektuletangen
Remveertangen
Revolvertangen
Rondbuigtangen
Slangklemtangen
Sleuteltangen
Smeedtangen
Spanbandtangen
Spijkertrekkers
Striptangen
Tangensets
Tangonderdelen
Tegelkniptangen
Telefoontangen
Verbindingstangen
Voorsnijtangen
Wastafelmoertangen
Waterpomptangen
Zeilring- ogentangen
Zijsnijtangen
Zuigerveertangen
Tegelzettersgereedschap
Terug
Tegelzettersgereedschap
Testgereedschappen
Terug
Testgereedschappen, toebehoren
Vijlen
Terug
Blokvijlen
Draadvijlen
Kettingzaagvijlen
Molenzaagvijlen
Naaldvijlen
Platspitsvijlen
Raspen
Sleutelvijlen
Vijl, toebehoren
Vijlen driekant
Vijlen halfrond
Vijlen rond
Vijlen vierkant
Vijlensets
Zaagvijlen
Vonkvrije gereedschappen
Terug
Beitels vonkvrij
Dopsleutel, toebehoren vonkvrij
Pincetten vonkvrij
Zagen
Terug
Draadzagen
Handzaagbladen
Handzagen
Verstekbakken
Zaagbeugels
Hang- en Sluitwerk
Terug
Cilinders
Terug
Automatencilinders
Cilinders
Cilinders elektronisch
Demontagegereedschappen
Postkastcilinders
Veiligheidscilinders SKG**
Veiligheidscilinders SKG***
Hangsloten
Terug
Discussloten
Hangslot, elektronisch
Hangsloten cilinder
Hangsloten klavier
Hangsloten met cijfer
Ketting- Kabelsloten
Terug
Kabelsloten
Kettingsloten
Kluizen
Terug
Afstortkluizen
Geldkisten
Kluizen
Reissafe's
Sleutelkasten/-kluizen
Scharnieren
Terug
Deurdrangerscharnieren
Deurveerscharnieren
Dievenklauwen
Duimen
Hengen
Inboorpaumelles
Kogellagerscharnieren
Kogellagerscharnieren SKG**
Kogellagerscharnieren SKG***
Kogelstiftpaumelles
Kogelstiftpaumelles SKG**
Kogelstiftpaumelles SKG***
Meubelscharnieren
Meubelscharnieren zonder veer
Meubelscharnieren, toebehoren
Nylon lagerscharnieren
Nylon lagerscharnieren SKG***
Paumelles
Paumelles gerold
Pianoscharnieren, RVS
Projectscharnieren
Salondeurscharnieren
Scharnierbeveiliging
Scharnieren
Scharnieren onzichtbaar
Scharnieren SKG**
Scharnieren SKG***
Scharnieren smal
Scharnieronderdelen
Schijflagerscharnier
Schijflagerscharnier SKG ***
Venelite scharnieren
Venelite scharnieren SKG**
Venelite scharnieren SKG***
Sloten
Terug
Bijzetsloten SKG*
Bijzetsloten SKG**
Cilinder insteek smaldeursloten
Cilinder insteek smaldeursloten SKG**
Cilinder insteeksloten
Cilinder insteeksloten SKG*
Cilinder insteeksloten SKG**
Codesloten
Deuropeners elektrisch
Deursloten elektrisch, toebehoren
Espagnoletsloten
Garagedeursloten
Insteekslot, toebehoren
Insteeksloten
Klavier insteeksloten
Knopsloten
Meerpuntsluitingen
Meerpuntsluitingen SKG**
Meerpuntsluitingen SKG***
Meubelsloten
Opleg bijzetsloten SKG*
Opleg bijzetsloten SKG**
Oplegsloten
Oplegsloten SKG**
Sleutels
Sleuteltoebehoren
Slot sets
Sloten, brandwerend
Sluit- voorplaten
Sluitkommen
Sluitkommen SKG*
Sluitkommen SKG**
Sluitkommen SKG***
Sluitplaten
Smaldeursloten
Sluitwerk
Terug
Anti-paniekbeslag
Deurdranger armen
Deurdranger, toebehoren
Deurdrangers
Deurkettingen
Deurmagneten
Deurscharen
Deursluiters
Deurvastzetters
Espagnolet, toebehoren
Espagnoletbeveiligers
Espagnoletten
Espagnoletten SKG**
Grendels
Heksluiters
Insteekgrendels
Kierstandhouder SKG
Kierstandhouders
Klinkstellen
Luiksluitingen
Openingsbegrenzers
Overvallen
Paniekopener, toebehoren
Panieksluitingen
Schuiven
Sluitingen
Snapsluitingen
Vloerveer, toebehoren
Vloerveren
Toegangscontrolesystemen
Terug
Toegangscontrolesystemen, toebehoren
Huishoudelijk
Terug
Afvalverzameling
Terug
Afvalbakken
Afvalbakken vast
Afvalbakken verrijdbaar
Afvalemmers
Afvalverzamelaars
Afvalzakken
Asbakken
Draagringen
Papierbakken
Papierbakken, brandwerend
Drogen
Terug
Droog hulpmiddelen
Drooglijnen
Elektronica
Terug
Camera's
Keetartikelen
Terug
Dranken
Eten
Koffie, toebehoren
Schoonmaakartikelen
Snacks
Waterkoelers
Zoetwaren
Ongedierte bestrijding
Terug
Dierenvallen
Instectenlampen
Persoonlijke verzorging
Terug
Persoonlijke verzorging
Toiletpapier
Reiniging
Terug
Matten
Reinigingsmiddelen
Schoonmaakartikelen
Tijdsmeting
Terug
Klokken
Stopwatches
Transportmiddelen
Terug
Fiets, toebehoren
Wassen
Terug
Wasmachine/droger, toebehoren
IJzerwaren
Terug
Dragers
Terug
Dragers
Kastplankdragers
IJzerwaren
Terug
Aanlegringen
Beugels
Bledschroeven
Haken
Koordhouders
Krulhaken
Musketonhaken
Ogen
Oog op plaat
Ophangogen
Ringen
Schroefduimen
Schroefhaken
Schroefogen
Spiegelbevestigingen
Stokeinden
Windhaken
Kabels
Terug
Kabelklemmen
Kabeltoebehoren
Spanschroeven
Kettingen
Terug
Ketting, toebehoren
Kettingen gekleurd
Kettingen op rol
S-haken
Scheepskettingen
Sierkettingen
Victorkettingen
Voetkettingen
Wandrailsystemen
Terug
Wandrails
Wandrailsysteem, toebehoren
Infrastructuur
Terug
Straatmeubilair
Terug
Asbakken
Stoepbord
Verkeersborden
Terug
Verkeersborden
Verkeersbordklemmen
Terug
Hekbeugels
Verkeersbordbeugels
Verkeersborden
Vloerplaten
Terug
Vloerplaten
Installatietechniek
Terug
Afdichting
Terug
Afdichtingen
Afsluiters
Terug
Aftapkranen
Aftappen
Beluchterskranen
Stopkranen
Binnenriolering
Terug
Binnenrioleringonderdelen
Buisklemmen
Terug
Buis installatieklemmen
Stalenbuisklemmen zonder inlage
Buizen
Terug
Buis, toebehoren
Closetsokken
Terug
Closetsokken
Drukleidingsystemen
Terug
Drukleidingsystemen, PE
Drukleidingsystemen, PP
Filters
Terug
Waterfilter
Fittingen
Terug
Afdichtstoppen
Eindkappen
Kniekoppelingen
Koppelingen
Lasbochten
Nippels
Pijpnippels
Sokken
Verloopnippels
Verloopringen
Fittingen malleabel
Terug
Bochten
Knieën
Koppelingen
Kruisstukken
Nippels
Pluggen
Sokken
Soknippels
T-stukken
Verloopnippels
Verloopsokken
Hemelwaterafvoer
Terug
Hemelwaterafvoer
Hemelwaterafvoeronderdelen
Klembanden
Terug
Klembanden
Klemplaten
Klimaatbeheersing
Terug
Klimaatbeheersings gereedschap
Knelkoppelingen
Terug
Eindkoppelingen
Knelringen
Kniekoppelingen
Koppelingen
Muurplaten kiwa
Overschuifkoppelingen
Puntstukken
Schroefbussen
Slangpilaren
T-stukken
Verloopkoppelingen
Y-koppelingen
Kogelkranen
Terug
Kogelkranen
Kogelkranen gas
Kogelkranen volle doorlaat
Koppelingen
Terug
Brandweerkoppelingen
Koppeling, toebehoren
Koppelingen voor PE-water
Persluchtkoppelingen
Snelkoppelingen
Veiligheidskoppelingen
Kranen
Terug
Badkamer/keuken kranen
Vlotterkranen
Leidingklemmen
Terug
Clips
Leidingklemmen
Leidingmanagementsystemen
Terug
Leidinggoten
Leidingwatertransport
Terug
Waterleidingbuizen
Luchtsnelkoppelingen
Terug
Drukluchtkoppelingen
Meters
Terug
Manometers
Oorklemmen
Terug
Oorklemmen
Perskoppelingen
Terug
Insteekkoppelingen
Kniekoppelingen
T-koppelingen
Perslucht, toebehoren
Terug
Perslucht koppelingen
Persluchtsystemen
Terug
Persluchtleidingen
Reduceerventielen
Terug
Drukreduceerventielen
Slangen
Terug
Gasslangen
Persluchtslangen
Persslangen
PVC slangen
Spiraalslangen
Ventilatieslangen
Waterslangen
Zuig persslangen
Slangklemmen
Terug
Slangklem assortimenten
Slangklemmen
Slangkoppelingen
Terug
Kraanaansluitingen
Reparatiekoppelingen
Snelkoppelingen
Slangopbergsystemen
Terug
Slangenhouders
Slangenwagens
Slangstukken
Terug
3-wegstukken
Kraanstukken
Slangkoppelingen
Slangstukken
Slangverbinders
T-stukken
Waterdieven
Waterstoppen
Slangtules
Terug
Slangtules
Snelkoppelingen
Terug
Snelkoppelingen
Soldeerfittingen
Terug
Kappen
Knieën
Koppelingen
Muurplaatbeugels
Muurplaten
Ringen
T-stukken
Verloopsokken
Sproeiers
Terug
Sproeiers
Spuitlansen
Terug
Spuitlansen
Spuitpistolen
Terug
Spuitpistolen
Straalpijpen
Terug
Straalpijpen
Terugslagkleppen
Terug
Terugslagkleppen
Thermometers
Terug
Thermometers
Tijdelijke voorzieningen
Terug
Tijdelijke watervoorziening
Verwarming
Terug
Radiator, toebehoren
Radiatoren
Voetkleppen
Terug
Voetkleppen
Kantoorartikelen
Terug
Aftekengereedschappen
Terug
Whiteboard artikelen
Bureau-accessoires
Terug
Schrijfmateriaal
Computersupplies en -accessoires
Terug
Computersupplies en -accessoires
ICT en machines
Terug
Diverse kantoormachines
Geheugenopslag
Inbinden en Lamineren
Kantoormachines
Labelprinters en tapes
Rekenmachines
Snijden en Vernietigen
Inkt en Toner
Terug
Inktjet Cartridges
Linten
Toner Cartridges
Kantoor en opbergen
Terug
Archivering
Diverse
Etiketen/Labels
Interieurs
Kaartsystemen
Kantoorbenodigdheden
Mappen
Ordners en ringbanden
Planning en Agenda's
Presenteren
Kantoormachines
Terug
Kantoormachines
Papier en verzenden
Terug
Diverse Papierwaren
Enveloppen
Etiketten
Printpapier
Rollen papier
Schrijf- en notitieblokken
Stempels en Postkamer
Verpakkingsmaterialen
Presentatiemiddelen
Terug
Magneten
Presenteren
Schrijven en Hobby
Terug
Corrigeren
Hobbyartikelen
Luxe Schrijfwaren
Schrijfwaren
Viltstiften
Kantoorartikelen
Terug
Bureau-accessoires
Terug
Documentverwerking
Opbergsystemen
Schrijfmateriaal
Kantoormachines
Terug
Kantoormachines
Kantoorinrichting
Terug
Meubilair
Terug
Bureau's
Bureauonderdelen
Kasten
Kasten
Krukken
Ordnerzuilen
Stoelen
Stoelonderdelen
Tafelonderdelen
Tafels
Voetensteunen
Presentatiemiddelen
Terug
Informatiewandsysteem
Keuken artikelen
Terug
Keukengereedschappen
Terug
Bestek
Broodtrommels
Keukengerei
Keukenhulpen
Opdienen
Servetten, papier
Servies
Snijgereedschappen
Zakjes
Keukenmachines
Terug
Afkoelen
Koffiefilters
Opwarmen
Reinigen
Keukeninrichting
Terug
Lades
Terug
Lade indeling
Kleding & PBM
Terug
Ademhalingsbescherming
Terug
Aanblaassystemen draagbaar
Aanblaassystemen stationair
Aanblaassystemen, toebehoren
Gelaatmasker filters
Halfgelaatsmaskers
Stofmaskers
Vluchtmaskers
Volgelaatsmaskers
Disposables
Terug
Handbescherming wegwerp
Hoofdbescherming wegwerp
Kleding wegwerp
Voetbescherming wegwerp
EHBO
Terug
Beademingsprodukten
Brancards
Defibrillatoren
EHBO-gereedschappen
Medicatie
Ontsmetting
Oogspoelflessen
Reddingsdekens
Verbandmiddelen
Verbandtrommels
Gehoorbescherming
Terug
Oorkap, toebehoren
Oorkappen
Oorplugdispensers
Oorpluggen
Otoplastieken
Gelaats,- en gehoorbescherming
Terug
Vizier met oorkappen
Gelaatsbescherming
Terug
Gelaatsscherm, toebehoren
Gelaatsschermen
Gelaatsschermonderdelen
Handbescherming
Terug
Handschoenen
Handschoenen chemisch bestendig
Handschoenen koudewerend
Handschoenen, mechanische bescherming
Lashandschoenen
Werkhandschoenen
Hoofdbescherming
Terug
Caps
Hoofddoeken
Mutsen
Petten
Stootpetten
Veiligheidshelm, toebehoren
Veiligheidshelmen
Huidbescherming
Terug
Huidcrème
Huidreiniging
Huidverzorging
UV-crème
Lasbescherming
Terug
Lashelmen
Lasmaskers
Lasruiten
Lasschilden
Spatruiten
Lichaamsdelenbescherming
Terug
Kniebeschermers
Nekbeschermers
Oogbescherming
Terug
Beschermbrillen
Bezoekersbrillen
Bril, toebehoren
Lasbrillen
Laserbrillen
Stofbrillen
Veiligheidsbrillen
PBM veiligheidsboxen
Terug
PBM Veiligheidsboxen
Sport en vrijetijdskleding
Terug
Broeken
Jassen
Valbeveiliging
Terug
Gordels
Lijnen met valdemper
Sluitingen
Valbeveiliging, toebehoren
Valbeveiligingssets
Valstopapparaten
Voetbescherming
Terug
Jassen
Klompen
Laarzen
Schoen onderhoudsmiddelen
Schoen, toebehoren
Signaalkleding
Sokken
Veiligheidslaarzen
Veiligheidsschoenen hoog
Veiligheidsschoenen laag
Werkschoenen
Werkkleding
Terug
Amerikaanse overalls
Beschermmouwen
Blouses
Bodywarmers
Bosbouwkleding
Brandvertragende signaalkleding
Caps
Chemiekleding
Colberts
Colberts
Drijfpakken
Gilets
Halsdoeken
Hittekleding
Jassen
Kinderkleding
Kleding brandvertragend
Kleding zuurbestendig
Kleding, toebehoren
Korte broeken
Laskleding
Multi-norm kleding
Mutsen
Onderkleding
Overalls
Polo's
Polosweaters
Pullovers
Regenkleding
Rokken
Schoen, toebehoren
Schorten
Shirts
Signaalkleding
Stofjassen
Sweaters
T-shirts
Truien
Veiligheidsschoenen hoog
Veiligheidsschoenen laag
Vesten
Waadpakken
Werkbroeken
Werkhandschoenen
Werkhemden
Landbouwmateriaal
Terug
Schrikapparaten
Lastechniek
Terug
Las- en snijapparatuur
Terug
Drukregelaars cilindermontage
Gascilinders
Las- snijapparatuur, toebehoren
Las- snijbrandersets
Lasgereedschappen
Snijgereedschappen
Lasbescherming
Terug
Lasdekens
Lasschermen
Laspistolen
Terug
Laspistolen MIG/MAG
Laspistoolonderdeel
Soldeer
Terug
Hardsoldeer
Zachtsoldeer loodvrij
Zachtsoldeer tin/lood
Logistiek
Terug
Afbakeningsmiddelen
Terug
Afbakeningsmiddelen
Bebording
Terug
Brandblussers
Branddekens
Brandpreventie
Deurborden
Gebodsborden
Locatieborden
Redding en Evacuatie
Verbodsborden
Verkeersborden
Waarschuwingsborden
Bedrijfswageninrichting
Terug
Bedrijfswagenafsluiting
Zijwanden
Extern transport
Terug
Betonstortwagens
Industrie aanhangers
Kruiwagen, toebehoren
Kruiwagenonderdelen
Kruiwagens
Kruiwagens elektrisch
Ladingvastzetsystemen
Wielblokkering
Hijstechniek
Terug
Garage equipment
Hefgereedschap
Hijsbanden
Hijsketting, toebehoren
Hijsklemmen
Hijstassen
Loopkatten
Rondstroppen
Takels
Vacuümheffers
Infrastructuur
Terug
Wegenbouw
Intern transport
Terug
Afvalbakken
Bakwagens
Etagewagens
Gasflessenwagens
Handtrekwagens
Heftafels
Kantelbakken
Pakketwagens
Pallettrucks
Platen- glaswagens
Platendragers
Platformwagens
Rolplateau's
Serveerwagens
Steekwagens
Tafelwagens
Transport- onderzetrollers
Transportwagens
Vatenhandling
Verrijdbare laadborden
Vork- platformlifter
Werkplaatswagens
Klimmaterieel
Terug
Doorwerksystemen
Ladders
Steigers
Trappen
Opbergmaterialen
Terug
Assortimentsbakken
Assortimentsdozen
Assortimentskasten
Containers
Etiketen/Labels
Foudralen
Gereedschapshouders
Gereedschapskisten
Gereedschapskoffers
Gereedschapskoppels
Holsters
Koffers
Milieu opbergmiddelen
Montagekoffers
Opbergboxen
Opslagbakken
Spijkerschorten
Tassen
Transportkisten
Vaten
Verhuisdozen
Verpakkingsmaterialen
Terug
Kunststofverpakkingen
Vlaggen
Terug
Vlaggen
Vlaggenstokken
Vlaggenstokonderdelen
Werkplaatsinrichting
Terug
Beschermdekens
Gereedschapswagens
Gereedschapswanden
Kast, toebehoren
Kasten
Ladekast, toebehoren
Ladekasten
Lagers
Liften
Rolbokken
Scheidingswanden
Stellingen
Stellingonderdelen
Verpakkingsmaterialen
Werkbankcomponenten
Werkbanken
Werkplaatsstoelen
Wielen
Terug
Dubbelrollen
Wielen met halfelastische rubber band
Wielen met kunststof wiel
Wielen met polyamide loopvlak
Wielen met rubber band
Wielen met vol elastische rubber band
Wielen, los
Machines
Terug
Accu gereedschap
Terug
Accu's
Adapters
Betonverdichtings- en afwerkmachines
Blindklinknageltangen
Boorbreekhamers
Boorhamers
Boormachines
Boorschroefmachines
Buig-en knipmachines
Compressoren
Diamant gereedschap
Freesmachines
Heteluchtpistolen
Kitpistolen
Lampen
Lijmpistolen
Luchtbehandelingsmachines
Machine assortiment
Mengmachines
Multi-machines
Nietmachines
Oplaadapparaten
Persmachines
Polijstmachines
Pompen
Radio's
Reinigingsmachines
Schaafmachines
Scharen
Schroefautomaten
Schroevendraaiers
Schuurmachines
Slagmoeraanzetters
Slagschroevendraaiers
Slijpmachines
Snijmachines
Soldeerbouten
Spijkerinslagmachines
Stampers
Tackers
Trilplaten
Tuingereedschap
Vetspuiten
Vetspuiten
Vlechtmachines
Waterpasinstrumenten
Zaagmachines
Elektrisch gereedschap
Terug
Afwerkspanen
Afzuiginstallaties
Betonmolens
Betontrilnaalden
Boorbreekhamers
Boorhamers
Boormachines
Boormachines
Breekhamers
Buig-en knipmachines
Compressoren
Diamant gereedschap
Draadsnijmachines
Freesmachines
Graveermachines
Heaters
Heteluchtpistolen
Kantenlijmers
Lasapparaten
Lijmpistolen
Luchtbehandelingsmachines
Mengmachines
Multi-machines
Ontdooitransformator
Ontstoppers
Pompen
Pompen
Radio's
Reinigingsmachines
Reinigingsmachines
Schaafmachines
Scharen
Scharen
Schroefmachines
Schuurmachines
Schuurmachines
Slagmoeraanzetters
Slijpmachines
Slijpmachines
Soldeerbouten
Soldeerstations
Stofverzamelaars
Tackers
Tuingereedschap
Verfspuiten
Verwarmingsapparaten
Zaagmachines
Zaagmachines
Handbediende machines
Terug
Boormachines
Handtackers
Haspelwikkelmachines
Knipmachines
Pompen
Pompen
Reinigingsgereedschap
Scharen
Snijmachines
Zaagmachines
Machine combinatiesets
Terug
Machine combinatiesets
Machine, toebehoren
Terug
Aandrijfmotoren
Afzuiginstallatie, toebehoren
Betonmolen, toebehoren
Betonslijper, toebehoren
Betontrilnaald, toebehoren
Boorhamer, toebehoren
Boorhouders
Boorhoudersonderdelen
Boorhulzen
Boormachine, toebehoren
Boorschroefmachine, toebehoren
Breekhamer, toebehoren
Compressor, toebehoren
Decoupeerzaagmachine, toebehoren
Draadsnijmachine, toebehoren
Draaibank, toebehoren
Drukspuit, toebehoren
Flexibele-as machines, toebehoren
Freesmachine, toebehoren
Gas/kruittackers, toebehoren
Heater, toebehoren
Hogedrukreiniger, toebehoren
Kabelschaar, toebehoren
Kantenlijmer, toebehoren
Kitpistool, toebehoren
Knabbelschaar, toebehoren
Knipmachine, toebehoren
Lasapparaat, toebehoren
Lijmpistool, toebehoren
Luchtbehandelingsmachine, toebehoren
Machine onderstellen
Mengmachine, toebehoren
Multi-machine, toebehoren
Persmachine, toebehoren
Plaatschaar, toebehoren
Pneumatiek, toebehoren
Polijstmachine, toebehoren
Pomp, toebehoren
Schaafmachine, toebehoren
Schroevendraaier, toebehoren
Schuurmachine, toebehoren
Slijpmachine, toebehoren
Soldeerbout, toebehoren
Stofzuiger, toebehoren
Tacker, toebehoren
Tegelsnijmachine, toebehoren
Transportwagen, toebehoren
Trilplaat, toebehoren
Tuingereedschap, toebehoren
Verfspuit, toebehoren
Waterpasinstrument, toebehoren
Zaagmachine, toebehoren
Machineonderdelen
Terug
Knipmachineonderdelen
Koolborstels
Machineonderdelen
Motorisch gereedschap
Terug
Afwerkspanen
Betonmolens
Compressoren
Diamant gereedschap
Generatoren
Pompen
Slijpmachines
Trilplaten
Tuingereedschap
Tuingereedschap
Vlindermachines
Zaagmachines
Pneumatisch gereedschap
Terug
Bandenspanningsmeters
Blaaspistolen
Blindklinknageltangen
Boormachines
Gas/kruittackers
Hakhamers
Hogedrukspuiten
Kitpistolen
Kitpistolen
Luchtslanghaspels
Naaldbikhamers
Persluchtsets
Slagmoersleutels
Slijpmachines
Spuitpistolen
Spuitpistolen
Straalpistolen
Tackers
Veerkabelhaspels
Verfspuiten
Vetpompen
Zaagmachines
Stationair machines
Terug
Afzuiginstallaties
Boormachines
Boormachines
Draadsnijmachines
Snelstarters-acculaders
Werkbankslijpmachines
Zaagmachines
Zaagmachines
Zandstraalcabines
Meubelbeslag
Terug
Ladebeslag
Terug
Ladegeleiders
Ladegeleiders kogelloopwerk
Ladegeleiders telescoop
Ladegrepen
Meubelbeslag
Terug
Meubelbescherming
Meubelgrepen
Meubelknoppen
Meubelpoten
Meubelscharen
Meubelscharnieren
Meubelverbindingen
Terug
Meubelverbindingen
Profielen
Terug
Afdichtingsprofielen
Terug
Afdichtingsprofielen
Afdichtingsprofielen, brandwerend
Kaderprofielen
Beschermingsprofielen
Terug
Beschermingsprofielen
Bouwprofielen
Terug
Afdekprofielen
Bekistingsprofielen
Dakrandprofielen
Hoekbeschermingsprofielen
Horprofielen
Lekdorpelprofielen
Plaatprofielen
Plankdragerprofielen
Profiel, toebehoren
Profielen standaard
Schroten
Stucprofielen
Tafelrandprofielen
Tegelprofielen
Trapprofielen
Waterslagen
Nagels
Terug
Draadkrammen
Platen
Terug
Platen geperforeerd
Platen glad
Preventieprofielen
Terug
Deurprofielen anti-inbraak
Deurprofielen anti-inbraak SKG*
Deurprofielen anti-inbraak SKG* / SKG V
Doorvalbeveiliging, toebehoren
Doorvalbeveiligingen
Raamprofielen anti-inbraak
Raamprofielen anti-inbraak SKG*
Raamprofielen anti-inbraak SKG**
Tochtprofielen
Terug
Dorpelprofielen
Dorpelstrips
Tochtprofielen
Sanitair
Terug
Badkamer
Terug
Badkamer-accessoires
Douche-accessoires
Douches
Keramiek
Terug
Toiletten
Kranen
Terug
Badkamerkranen
Kraan, toebehoren
Toiletten
Terug
Toilet-accessoires
Toilet, toebehoren
Tuingereedschappen
Terug
Baggerbeugels
Terug
Baggerbeugels
Batsen
Terug
Batsen
Schepbatsen
Steekbatsen
Beplantingsartikelen
Terug
Opbindartikelen
Besproeiingstechniek
Terug
Broesen
Sprinklersystemen
Sproeiers
Waterverdelers
Bijlen
Terug
Bijlen
Boombijlen
Keukenbijlen
Kloofbijlen
Drukspuiten
Terug
Drukspuiten
Plantenspuiten
Gieters
Terug
Gieters
Grondboren
Terug
Grondboren
Palentrekkers
Verlengstukken
Hakken
Terug
Hakken
Harken
Terug
Asfaltharken
Bladharken
Gazonharken
Hooiharken
Tuinharken
Heien
Terug
Heien
IJsbrekers
Terug
IJsbrekers
Kniekussens
Terug
Kniekussen
Krabbers
Terug
Krabbers
Leidingprikkers
Terug
Leidingprikkers
Meststoffen
Terug
Zaden
Onkruidstekers
Terug
Onkruidstekers
Opbergsystemen
Terug
Opbergsystemen
Outdoor
Terug
Kampeerbenodigheden
Pikhouwelen
Terug
Pikhouwelen
Rieken
Terug
Rieken
Sappies
Terug
Sappies
Scharen
Terug
Heggenscharen
Schaar, toebehoren
Snoeischaren
Takkenscharen
Schepnetten
Terug
Schepnetten
Schoffels
Terug
Schoffels
Schoppen
Terug
Ballastschoppen
Betonschoppen
Graanschoppen
Kabelschoppen
Steekschoppen
Zandschoppen
Schuivers
Terug
Sneeuwschuivers
Sleggen
Terug
Sleggen
Spades
Terug
Boomspades
Draineerspades
Spades
Zwanenhalsspade
Stelen
Terug
Batsstelen
Bijlstelen
Combistelen
D-stelen
Harkstelen
Kloofbijlstelen
Merkusspadestelen
PD stelen
Pikhouweelstelen
Schoffelstelen
Schopstelen
Sleggestelen
Sloothaakstelen
Spadestelen
Steel universeel
Stokhouders
Terug
Stokhouders
Strooiwagens
Terug
Strooiwagens
Strooizoutopslagbakken
Terug
Strooizoutopslagbakken
Tegelkrabbers
Terug
Voegenkrabbers
Verticuteermachines
Terug
Verticuteermachines
Vorken
Terug
Aardappelvorken
Hooivorken
Mestvorken
Puinvorken
Spitvorken
Vuilgrijpers
Terug
Vuilgrijpers
Zagen
Terug
Snoeizagen
Stokzagen
Tuinzagen
Zeisen
Terug
Zeisen
Verspanende gereedschappen
Terug
Beitels
Terug
Koudbeitels
Boren
Terug
Betonboren
Boorkronen
Boren, toebehoren
Borensets
Diamantboren
Dozenboren
Houtboren
Kernboren
Metaalboren
Multiboren
Scharnierboorsystemen
Steenboren
Tegelboren
Verzinkboren
Bovenfrezen hout
Terug
Afrondfrezen
Fasefrezen
Frees, toebehoren
Freesboren
Freesmessen
Frezen met kogellager
Frezensets
Getrapte frezen
Graveerfrezen
Groeffrezen
Groefzagen
Holprofielfrezen
Houtraspen
Kantenfrezen
Kwartrondfrezen
Lijstfrezen
Messingfrezen
Profielfrezen
Schijffrezen
T-gleuffrezen
V-groeffrezen
Zwaluwstaartfrezen
Draadreparatiegereedschappen
Terug
Draadreparatietappen
Draadsnijgereedschappen
Terug
Boortappen
Draadsnijsets
Draadsnijtoebehoren
Handtappen
Machinemoertappen
Machinetappen
Roltappen
Snijmoeren
Snijplaten
Draaigereedschappen
Terug
Frezen
Wisselplaten
Freesgereedschappen hout
Terug
Groeffrezen
Frezen metaal
Terug
Eensnijders
Frezensets
Gatfrezen
Kopverzinkfrezen
Mantelkopfrezen
Ruwfrezen
Schachtfrezen
Schijffrezen
Spiebaanfrezen
Stiftfrezen HM
Stiftfrezen HSS
Verzinkfrezen
Vingerfrezen
Gatzagen
Terug
Gatzaag, toebehoren
Gatzagen
Keermessen
Terug
Keermessen, HM
Ontbraamgereedschappen
Terug
Handontbramer, toebehoren
Handontbramers
Ontbraamschijven- wielen
Polijstmiddelen
Terug
Poetsschijven
Polijstmaterialen
Staalwol
Ruimers
Terug
Handruimers
Machineruimers
Schaafbeitels
Terug
Schaafbeitels
Schuurmiddelen
Terug
Klitschuurbladen
Klitschuurschijven
Minischuurschijven
Schuurbanden
Schuurblokken
Schuurborstels
Schuurlinnen
Schuurpads
Schuurpapier
Schuurschijven
Schuursets
Slijpbanden
Slijpschijven
Spiraalbanden
Steunschijven
Schuurmiddelen non-woven
Terug
Handpads
Klitschuurschijven
Klitschuurschijven
Polijst-lamellenschijven
Reinigingsschijven, non-woven
Schuurbanden
Schuurschijven
Schuurvellen
Schuurvlies
Schuurwielen
Slijpmiddelen
Terug
Afbraam- doorslijpschijven
Afbraamschijven
Diamant schijven
Doorslijpschijven
Draadborstels
Lamellenrollen
Lamellenschijven
Schuurhulzen
Slijpschijf, toebehoren
Slijpschijven
Slijpstenen op stift
Slijpstenen, bakeliet gebonden
Zaagbladen
Terug
Cirkelzaagbladen
Decoupeerzaagbladen
Diamant zaagbladen
Lint-, bandzagen
Multimachine zaagbladen
Reciprozaagbladen
Zaagblad, toebehoren
Woondecoratie
Terug
Gordijnophangsystemen
Terug
Gordijnrail
Gordijnrail, toebehoren
Gordijnroede, toebehoren
Schilderijophangsystemen
Terug
Schilderijrail
Schilderijrail, toebehoren
Results
Filters
Load more results...
Diensten
Over Breur
Back
Over Breur
Sectoren
Duurzaamheid
CO2
Certificaten
Rapportages
Werken bij Breur
Help
Back
Veelgestelde vragen
Klantenservice
Zoek winkel
Winkelinfo
Word klant
Registreren
Inloggen
Euro
Euro
Credits
Credits
HEK Credits
HEK Credits
Puntenbudget
Puntenbudget
van Zoelen
van Zoelen
Omme
Omme
Voor 17.30 besteld, morgen in huis*
6 dagen per week geopend
Iedere werkdag bereikbaar van 07.00 - 17.30 uur
Startpagina
Bevestigingsmaterialen
Pluggen
Nagelpluggen
fischer Nagelplug N-Z 5x30mm wit
Webshop versie
Tabel (traditioneel)
Vorig Product
fischer Nagelplug N-S D 6x4...
Volgend Product
Fischer nageplug N Green 6 ...
fischer Nagelplug N-Z 5x30mm wit
Algemeen
Product beschrijving
Product specificaties
Product beschrijving
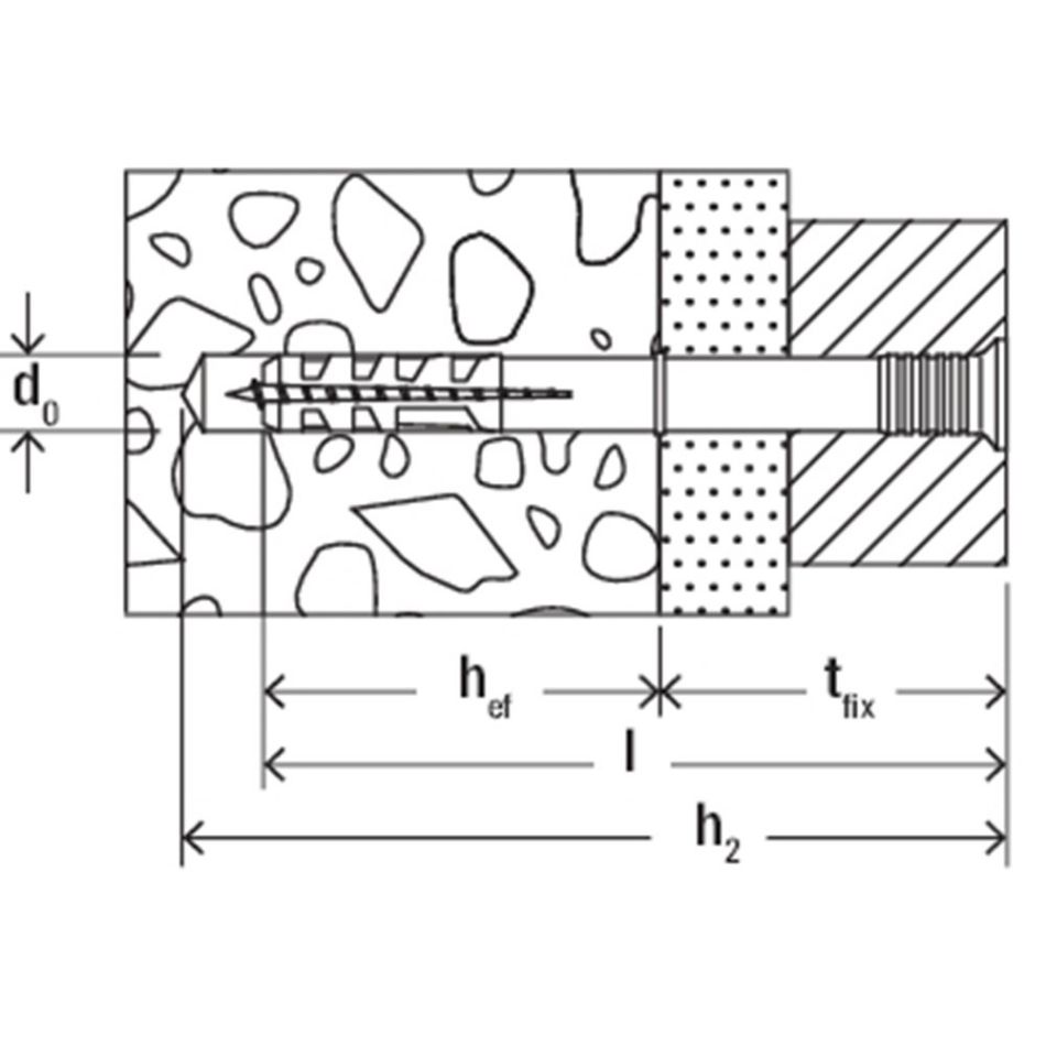
De fischer Nagelplug N-S met verzonken kop bestaat uit een plug van kwalitatief hoogwaardig nylon en een gegalvaniseerde nagelschroef. Deze zijn voor een snelle montage reeds vooraf gemonteerd. De nagelplug wordt in de tijdbesparende doorsteekmontage door het montagestuk gevoerd. Bij het intikken van de nagelschroef spreidt de huls open en verankert in het materiaal. De fischer Nagelplug N-S met verzonken kop is ideaal voor de bevestiging van houtconstructies in allerlei bouwmaterialen in de interieurbouw.
Lees meer
Algemeen
Product beschrijving
Product specificaties
fischer Nagelplug N-Z 5x30mm wit
Artikelnummer:
1137555
EAN-nummer:
4006209962060
Fabrikant:
Fischer
Toon alleen:
Op voorraad
Product specificaties
Attribuut naam
Attribuut waarde
uitvoering
met rand
aandrijving (maat)
PZD2
aandrijving
Pozidriv
kleur (basis)
grijs
materiaal
kunststof
materiaal (schroef)
staal (verzinkt)
diameter (plug)
5
toepassing (materiaal)
cellenbeton
verankeringsdiepte (minimaal)
45, 25
diameter (boorgat)
5
klembereik
0 - 5
lengte (plug)
30
verpakking
doos
verankeringsdiepte
25